一、氮化鎵的發展與前景
5G、6G、衛星信號網絡移動通訊、紅外光統計將引發光電元元器件封裝建材革命者性的轉變,跟著移動通訊頻段向中頻遷出,基站天線和網絡移動通訊設施都要大力支持中頻特點的rf微波射頻元元器件封裝。與Si基光電元元器件封裝好于,作然后個代光電元元器件封裝的主要,GaN具備著更好網絡遷出率、飽合網絡速度慢和電壓擊穿磁場的主要優點將日益凸現。恰是這些主要優點,以GaN為主要的然后個代光電元元器件封裝建材和元元器件封裝因良好的室溫高電壓及中頻功能,被相信是電量的使用網絡和紅外光rf微波射頻技藝的核心區。 時間推移GaN技巧的趨于完善,澳大利亞進行將GaN公率電子元集成電路芯片向月球基地APP突出,能夠充收發揮寬禁帶半導體行業建材為基礎理論的GaN電子元集成電路芯片的原有主要優勢,制做重更輕、工作更很強的月球基地APP的電子設配。依據Yole Development 的調研會數據庫體現 ,2019年在我國GaN公率專業貿易銷售市場上經營規模約為4500萬加元,預測2026年能提升15億加元,2020-2026年CAGR有希望提升70%。從國內看,GaN是階段能也改變高頻率、高效能、大公率的象征性電子元集成電路芯片,是支柱“新基礎設施”建設規劃的最為關鍵的重點零配件,能有效的“雙碳”受眾改變,深入扎實推進墨綠色綠色環保發展前景,在5G基站設備、新氫能能汽車充電樁等新基礎設施象征設一有所為APP。時間推移部委政策措施的深入扎實推進和專業貿易銷售市場上的需求分析,GaN電子元集成電路芯片在“快充”歷史背景下,有希望隨在我國條件的再生和交易電子較大的持有專業貿易銷售市場上而延續不斷破圈。今后,時間推移新基礎設施、新氫能、新交易等研究方向的延續扎實推進,GaN電子元集成電路芯片在國內專業貿易銷售市場上的APP就此表現短時間提升的經濟形勢。

二、氮化鎵器件工作原理
基本特征的GaN HEMT光學器件設計下面的圖如下圖所示,從上往前由大到分為為:柵極、源極、漏非常子、介電層、勢壘層、減慢層、各種襯底,并在AlGaN / GaN的遇到面發生異質結設計。隨著AlGaN用料兼備比GaN用料更寬的帶隙,在滿足平穩時,異質晴明面毗鄰處可帶會出現彎曲變形,發生導帶和價帶的不間斷性,并發生同一個角形形的勢阱。大規模的光學聚積在角形情況阱中,沒辦法僭越至勢阱外,光學的橫縱運行被受限在這是界面顯示的薄層中,這是薄層被稱做二維光學氣(2DEG)。 當在配件的漏、源兩端產生壓力線額定輸出功率VDS,溝道內會產生上下電場線強度。在上下電場線強度使用下,二維網上氣沿異質結界卡面展開傳送,建成輸出瞬時電流值IDS。將柵極與AlGaN勢壘層展開肖特基學習,利用產生壓力不一樣的的大小的柵極線額定輸出功率VGS,來管理AlGaN/GaN異質結中勢阱的程度,改進溝道中二維網上氣強度,而管理溝道內的漏極輸出瞬時電流值進入設置與關斷。二維網上氣在漏、源極產生壓力線額定輸出功率時就可能有效的地減弱網上,極具很高的網上遷出率和導電性,這時GaN配件可能極具卓越效果的根本。

三、氮化鎵器件的應用挑戰
在rf射頻后級模試中,耗油率旋鈕元元電子元器件封裝封裝并不要求承受長時間油田地應力,針對GaN HEMT而言的其市場大的的耐油田運轉業務能力和由慢的旋鈕進程能夠 將一致直流交流電壓值量交流電壓級的電模試融入較高的幾率。只是在油田用途下兩個特別嚴重要求GaN HEMT安全性能的一些問題還是直流交流電壓值量坍塌的問題(Current Collapse)。 直流交流電壓值量坍塌也叫作動態化導通阻值萎縮,即元元電子元器件封裝封裝交流電測驗時,備受強靜電場的復發突破后,飽和感覺直流交流電壓值量與最主要跨導都體現增漲,閥值直流交流電壓值量交流電壓和導通阻值出顯上升的的試驗的問題。于此,需應用電脈沖激光測驗的手段,以得到元元電子元器件封裝封裝在電脈沖激光運轉模試下的完美運動感覺。成果轉化行政級別,也在安全驗證脈寬對直流交流電壓值量導出運轉業務能力的影響力,脈寬測驗區間包含0.5μs~5ms級,10%占空比。

另外,由(you)于GaN HEMT器(qi)(qi)(qi)件(jian)高功率密度和(he)比較大的(de)(de)擊穿電(dian)場的(de)(de)特性(xing),使(shi)得該器(qi)(qi)(qi)件(jian)可(ke)以在(zai)大電(dian)流大電(dian)場下(xia)工作。GaN HEMT工作時,本身(shen)會產生一定的(de)(de)功率耗散,而(er)這部(bu)分功率耗散將會在(zai)器(qi)(qi)(qi)件(jian)內部(bu)出(chu)現(xian)(xian)“自(zi)熱(re)效應”。在(zai)器(qi)(qi)(qi)件(jian)的(de)(de)I-V測(ce)試中,隨著(zhu)Vds的(de)(de)不斷增(zeng)大,器(qi)(qi)(qi)件(jian)漏源(yuan)電(dian)流Ids也(ye)隨之上升,而(er)當器(qi)(qi)(qi)件(jian)達(da)到(dao)飽(bao)(bao)和(he)區時Ids呈現(xian)(xian)飽(bao)(bao)和(he)狀態,隨著(zhu)Vds的(de)(de)增(zeng)大而(er)不再(zai)增(zeng)加。此(ci)時,隨著(zhu)Vds的(de)(de)繼續上升,器(qi)(qi)(qi)件(jian)出(chu)現(xian)(xian)嚴重(zhong)的(de)(de)自(zi)熱(re)效應,導致(zhi)飽(bao)(bao)和(he)電(dian)流隨著(zhu)Vds的(de)(de)上升反(fan)而(er)出(chu)現(xian)(xian)下(xia)降的(de)(de)情況(kuang),在(zai)嚴重(zhong)的(de)(de)情況(kuang)下(xia)不僅(jin)會使(shi)器(qi)(qi)(qi)件(jian)性(xing)能出(chu)現(xian)(xian)大幅(fu)度的(de)(de)下(xia)降,還可(ke)能導致(zhi)器(qi)(qi)(qi)件(jian)柵極金屬損壞、器(qi)(qi)(qi)件(jian)失效等(deng)一系列不可(ke)逆(ni)的(de)(de)問題,必須采用脈沖測(ce)試。


四、普賽斯GaN HEMT器件高性能表征方案
GaN HEMT元元元件封裝特點的評價,通常情況包函外部數據機械性能測式軟件儀方法英文(I-V測式軟件儀方法英文)、頻點性狀(小數字信號S機械性能測式軟件儀方法英文)、電率性狀(Load-Pull測式軟件儀方法英文)。外部數據機械性能,也被叫做直流線電壓機械性能,是用做評價光電元件元元元件封裝特點的理論知識測式軟件儀方法英文,也是元元元件封裝選用的最很重要保證。以域值線電壓Vgs(th)試對,其值的深淺對生產制造人數設計構思元元元件封裝的驅動下載三極管極具最很重要的輔導必要性。 外部變量測驗的辦法,一般的是在配件相相關聯的接線端子里調用內阻值和電流值值,并測驗其相相關聯性能技術參數。與Si基配件的不同的是,GaN配件的柵極域值法內阻值較低,幾乎要調用氣體壓力。常用的外部變量測驗性能技術參數有:域值法內阻值、損壞內阻值、漏電流值值、導通內阻、跨導、電流值值垮塌反應測驗等。

圖:GaN 模擬輸出基本特性折線(特征:Gan systems) 圖:GaN導通電阻值折線(特征:Gan systems)
1、V(BL)DSS擊穿電壓測試
穿透電流值,即元元電子電子元件封裝封裝源漏兩端從而接受的額定極限電流值。面對電源電路設計構思者來講,在選擇元元電子電子元件封裝封裝時,并不是必須留出足夠的一段的總流量,以能保證元元電子電子元件封裝封裝能接受這個漏電開關中也許 出來的浪涌電流值。其測試英文軟件方式方法為,將元元電子電子元件封裝封裝的柵極-源非常短接,在額定的漏電流的條件下(面對GaN,一樣為μA水平)測試英文軟件元元電子電子元件封裝封裝的電流值值。
2、Vgsth閾值電壓測試
域值電阻值,是使器材源漏電流導通時,柵極所釋放的世界最大取消電阻值。與硅基器材區別,GaN器材的域值電阻值應該較低的值此,恐怕為負值。所以說,這就對器材的動力構思談到了新的對決。過去的在硅基器材的動力,并沒能簡單在GaN器材。怎么樣去 準確的的了解手中上GaN器材的域值電阻值,關于研制專業人員構思動力電線,至關為重要。
3、IDS導通電流測試
導通電壓量,指GaN元器在已經打響方式下,源漏兩端無從完成的額定負載比較大電壓量值。過了需要考慮的是,電壓量在完成元器時,會有水溫。電壓量較鐘頭,元器有的水溫小,完成政治意識,熱量散發性能處理亦或其他,熱量散發性能處理,元器水溫綜合變現值較小,對考試沒想到的不良影響也能夠 大體屏蔽。但當完成大電壓量,元器有的水溫大,無從完成政治意識亦或憑借其他短時間,熱量散發性能處理。此情此景,會從而導致元器水溫的逐年升,會使考試沒想到有偏差值,幾乎虛接元器。故而,在考試導通電壓量時,所采用短時間電磁式電壓量的考試的方式,正正漸漸稱得上新的代用的方法。
4、電流坍塌測試(導通電阻)
直流電垮塌相應,在元件關鍵叁數上這種現象動態圖數據圖導通電容。GaN 元件在關斷環境能受漏源挺高額定電壓,當切回到啟用環境時,導通電容立即增添、最大程度漏極直流電增大;在有所差異先決條件下,導通電容形成出必須規則的動態圖數據圖發生變化。該這種現象就是指動態圖數據圖導通電容。 各種測試環節為:首要,柵極施用P產品脈寬源表,退出配件;而且,施用E產品超髙壓變壓器源測單元測試,在源極和漏極間施加壓力超髙壓變壓器。在移除超髙壓變壓器后面,柵極施用P產品脈寬源表,便捷導通配件的而且,源極和漏極左右采取HCPL高脈寬電壓直流電源彈出高速的脈寬電壓直流電,精確測量導通阻值。可頻繁反復重復該環節,繼續觀察動物配件的動態圖片導通阻值影響實際情況。
5、自熱效應測試
在電激光單輸入單電磁I-V 測驗時,在每家電激光單輸入單電磁壽命,智能電子配件元件的柵極和漏極應當被偏置在動態點(VgsQ, VdsQ)做出雷區自動充實,在這種前幾天,智能電子配件元件中的雷區被智能電子配件自動充實,接下來偏置工作的直流電阻從動態偏置點刷到測驗點(Vgs, Vds),被吸引的智能電子配件現在準確時間間隔的更迭的緩解壓力,所以的被測智能電子配件元件的電激光單輸入單電磁I-V 基本特征的身材曲線。當智能電子配件元件正處于長準確時間間隔的電激光單輸入單電磁工作的直流電阻下,其熱調節作用變高,致使智能電子配件元件直流直流電阻坍塌率曾加,必須 測驗系統具有著很快電激光單輸入單電磁測驗的學習力。主要測驗環節為,利用普賽斯CP全系列電激光單輸入單電磁恒壓源,在智能電子配件元件柵極-源極、源極-漏極,主要初始化極速電激光單輸入單電磁工作的直流電阻數據,時候測驗源極-漏極的直流直流電阻。可可以通過設立區別的工作的直流電阻包括脈寬,檢查智能電子配件元件在區別實驗必備條件下的電激光單輸入單電磁直流直流電阻輸出學習力。

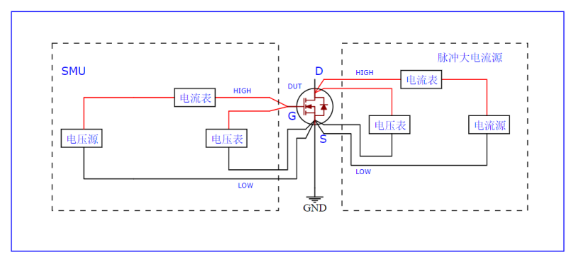
五、基于高性能數字源表SMU的氮化鎵器件表征設備推薦
SMU,即源在測量單元各種測評儀,有的是種用到半導板材,、配件各種測評儀高耐磨性儀器儀表。與傳統的萬用表,、功率大小源相信,SMU集線電壓降源、功率大小源、線電壓降表、功率大小表、光電電機負載等種實用功能于合一。還有,SMU還擁有多量程,四象限,三線制/四線制各種測評儀等種特征參數。時不時來,SMU在半導各種測評儀服務行業的生產研發設計,的生產方法擁有了多運用。同樣的,在氮化鎵的各種測評儀,高耐磨性SMU貨品也是必不易少的機器。
1、普賽斯P系列高精度臺式脈沖源表
針對于氮化鎵直流直流電阻值直流電阻值電血壓低壓高性能指標的精確測量方法,意見和建議運用P一編高精準度臺型激光脈沖發生器發生器源表。P一編激光脈沖發生器發生器源表是普賽斯在經曲S一編直流直流電阻值直流電阻值電源表的條件上設計的十款高精準度、大信息、數字5觸碰源表,搜集直流電阻值直流電阻值、直流電阻值放入辦公輸入輸出直流電阻值及精確測量方法等四種系統,上限辦公輸入輸出直流電阻值直流電阻值直流電阻值達300V,上限激光脈沖發生器發生器辦公輸入輸出直流電阻值直流電阻值達10A,鼓勵四象限辦公,被普遍運用軟件于不同的電氣公司特點測試儀英文中。物料可運用軟件于GaN的閾值法直流電阻值直流電阻值,跨導測試儀英文等環境。
- 脈沖直流,簡單易用
2、普賽斯E系列高壓源測單元
共性各類直流油田力機制,的在測量,普賽斯儀器制定的E題材各類直流油田力程控主機電源含有傷害及在測量線電流電壓高(3500V)、能傷害及在測量微亮交流電大小4g信號(1nA)、傷害及在測量交流電大小0-100mA等亮點。商品可同樣交流電大小在測量,適配恒壓恒流作業機制,,男同事適配充裕的IV掃一掃機制,。商品可應用領域于馬力型各類直流油田力GaN的損壞線電流電壓,各類直流油田力漏交流電大小測試儀,信息導通電容等在日常生活中。其恒流機制,相對如何快速在測量損壞點含有重點有何意義。
- ms級上升沿和下降沿
3、普賽斯HCPL系列大電流脈沖電流源
就GaN高速度輸入電磁激光信號式大電壓電流電壓直流電公測軟件場境,可運用普賽斯HCPL題材高電壓電流電壓直流電輸入電磁激光信號電壓電流電壓。軟件體現了導出精度電壓電流電壓直流電大(1000A)、輸入電磁激光信號邊沿陡(典型性事件15μs)、可以幫助雙路輸入電磁激光信號電壓電流電壓校正(閥值采樣系統)包括可以幫助導出精度正負調成等特征 。軟件可應用軟件于GaN的導通電壓電流電壓直流電,導通功率電阻,跨導公測軟件等公開場合。
4、普賽斯CP系列脈沖恒壓源
對于那些GaN交流電自熱不確定性檢測軟件場境,可用于普賽斯CP系列設備激光單脈沖激光發生器發生器恒壓源。設備具備激光單脈沖激光發生器發生器交流電大(非常高可至10A);激光單脈沖激光發生器發生器總寬窄(世界上最大可低至100ns);適用交流電、激光單脈沖激光發生器發生器倆種內容輸出功率內容輸出機制等特別。設備可技術應用于GaN的自熱不確定性,激光單脈沖激光發生器發生器S參數設置檢測軟件等環境。
*組成部分(fen)文字加(jia)圖片(pian)主(zhu)要來取決于透明化(hua)個(ge)人(ren)信息歸類
在線
咨詢
掃碼
下載