集成電路測試貫穿了從設計、生產到實際應用的全過程,大致分為:
- 構思方案時期的構思方案印證測式- 晶圓生產制造關鍵期的工藝流程風控考試- 芯片封裝前的晶圓軟件測試- 封口后的機器設備考試芯片測試應用現狀
芯片測試作為芯片設計、生產、封裝、測試流程中的重要步驟,是使用特定儀器,通過對待測器件DUT(Device Under Test)的檢測,區別缺陷、驗證器件是否符合設計目標、分離器件好壞的過程。其中直流參數測試是檢驗芯片電性能的重要手段之一,常用的測試方法是FIMV(加電流測電壓)及FVMI(加額定電壓測電流值)。
民俗的心片電食用性能檢驗都要數臺多基本功能汽車儀器盤做好,如電壓工作電流源、工作電流源、萬用表等,然后由數臺多基本功能汽車儀器盤分解成的機系統都要分別為完成java開發、此次、無線連接、測評和淺析,過程中多樣化又等待時間,又占過度檢驗臺的地方,同時食用一種基本功能的多基本功能汽車儀器盤和激厲源還出現多樣化的雙方間引發工作,有大的不判相關性及很慢的串口通信輸送線速度等瑕疵,始終無法夠滿足高質量率檢驗的供給。實施芯片電性能測試的最佳工具之一是數字6源表(SMU),數字(zi)源表(biao)(biao)可(ke)作(zuo)為獨立(li)的恒壓(ya)源或恒流(liu)源、電(dian)(dian)壓(ya)表(biao)(biao)、電(dian)(dian)流(liu)表(biao)(biao)和電(dian)(dian)子負載,支持(chi)四象限功能,可(ke)提供恒流(liu)測壓(ya)及恒壓(ya)測流(liu)功能,可(ke)簡化芯片電(dian)(dian)性能測試方案(an)。
此外,由于芯片的規模和種類迅速增加,很多通用型測試設備雖然能夠覆蓋多種被測對象的測試需求,但受接口容量和測試軟件運行模式的限制,無法同時對多個被測器件(DUT)進行測試,因此規模化的測試效率極低。特別是在生產和老化測試時,往往要求在同一時間內完成對多個DUT的測試,或者在單個DUT上異步或者同步地運行多個測試任務。
基于普賽斯CS系列多通道插卡式數字源表搭建的測試平臺,可進行多路供電及電參數的并行測試,高效、精確地對芯片進行電性能測試和測試數據的自動化處理。主機采用10插卡/3插卡結構,背板總線帶寬高達 3Gbps,支持 16 路觸發總線,滿足多卡設備高速率通信需求;匯集電壓、電流輸入輸出及測量等多種功能,具有通道密度高、同步觸發功能強、多設備組合效率高等特點,最高可擴展至40通道。

圖1:普賽斯CS編(bian)插(cha)卡(ka)式源表
(10插(cha)卡(ka)及(ji)3插(cha)卡(ka),高至(zhi)40節點)
基于數字源表SMU的芯片測試方案
便用普賽斯數字式源表通過集成ic的開虛接考試(Open/Short Test)、漏電流考試(Leakage Test)或者DC產品參數考試(DC Parameters Test)。1、開短路測試(O/S測試)
開燒壞測量(Open-Short Test,也稱多次性或交往測量),適用證實測量體系與元器件封裝所有的引腳的電交往性,測量的過程中 是借助對地養護電子元器件大家庭中的一員-二極管通過的,測量連接方式集成運放以下圖示:
圖2:開(kai)短路等問題試驗的線路拼接(jie)表示
2、漏電流測試
漏電流軟件軟件測試軟件,又稱作為Leakage Test,漏電流軟件軟件測試軟件的重點目的重點是檢驗員設置Pin腳或高阻環境下的輸入輸出Pin腳的特性阻抗能不夠高,軟件軟件測試軟件無線連接電路板如下一樣一樣:
圖3:漏(lou)電流測驗(yan)方式接入舉手(shou)
3、DC參數測試
DC性能的公測公測,通常有的是Force直流相電壓直流電壓公測公測相電壓直流電壓又或者Force相電壓直流電壓公測公測直流相電壓直流電壓,具體是公測公測特性阻抗性。通常各式DC性能一定會在Datasheet前面不標,公測公測的具體基本原則是保障基帶芯片的DC性能值滿足國家標準:
圖4:DC參數指標自測方式接觸(chu)示意(yi)圖

測試案例

測試軟件(jian)軟件(jian)系統(tong)增(zeng)加
Case 01 NCP1377B 開短路測試
檢測圖片圖片 PIN 腳與 GND 之間相互連接形態,檢測圖片圖片時中SMU會選擇3V量測范圍,加入的-100μA電流值,限壓-3V,量測電壓電流值最終報告表 1 圖示,電壓電流值最終報告在-1.5~-0.2 之間,檢測圖片圖片最終報告 PASS。*測驗(yan)配(pei)電線路接連圖案填充圖2

圖5:NCP1377B開擊穿檢查結局
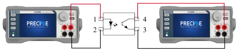
Case 02 TLP521 光電耦合器直流參數測試
光學交叉耦合器主耍由倆個分組名稱成:光的試射端及光的收到端。光的試射端主耍由發亮場效應管分為,場效應管的管腳為光耦的放入端。光的收到端主耍是光敏晶狀體管, 光敏晶狀體管是利于 PN 結在施加壓力返向電壓值時,在自然光作用下返向電阻功率由大變小的原理圖來業務的,晶狀體管的管腳為光耦的輸送端。 成功案例用于兩部SMU來測試儀,買臺SMU與元電子元器件設置端接入,身為恒流源安裝驅動帶光二級管并檢測設置端各種相關指標,另買臺SMU與元電子元器件導出端接入,身為恒壓源并檢測導出web端各種相關指標。*測(ce)試方法層面連結根據(ju)圖4

圖6:BVECO 測試測試數值及(ji)斜率

圖7:ICEO測試儀參數及線性

圖8:設置屬性折線

圖9:工作輸出(chu)形(xing)態曲線(xian)方(fang)程

在線
咨詢
掃碼
下載